Chambre à air pour mesure de l'air comprimé jusqu'à 25 bars
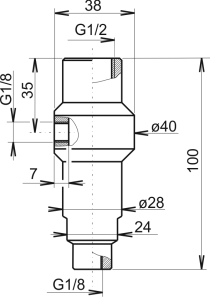
Chambre à air pour mesure d'air comprimé jusqu'à 25 bars - acier inoxydable DIN 1.4301 raccord d'entrée et de sortie - raccord de sonde d'humidité à filetage G1 / 8 - raccord fileté G1 / 2 non compris.
(fr)
-
codeSH-PP
