Pt1000TG7 / 0, sonde de température, câble 2 m
Sonde de température avec capteur Pt1000.
(fr)
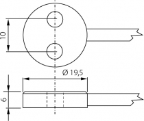
Sonde de surface en laiton avec câble de longueur spécifiée, sans connecteur. Plage de -30 à + 200 ° C, précision ± (0,15 + 0,002 | t |). Diamètre 18mm, largeur 6.5mm, 2 fils.
Montage à l'aide d'une vis M4 ou fixation à l'aide d'un ruban auto-adhésif. Protection IP65.
En option également disponible avec câble de différentes longueurs. Pour les autres longueurs de câble, utilisez le sélecteur.
-
codeSN165
